マルチタイプ
ストレートタイプ
ロータリタイプ
マルチコネクタシステム
シングルコネクタ
防爆型電気コネクタシステム
アセプティックコネクタ
ALL-PTFEコネクタ
高洗浄コネクタ
ユーティリティコネクタ
移動タンク/コンテナから粉体やスラリーを自動払い出し及び投入
検査ラインでの配管・配線作業の自動化
市乳製造プロセス
調味製造プロセス
酒類製造プロセス
飲料製造プロセス
ワックス製造プロセス
潤滑油製造プロセス(マルチ)
潤滑油製造プロセス(ストレート)
塗料製造プロセス
合成製造プロセス
高粘度流体製造プロセス
製銑設備
製鋼設備
圧延設備
輸送設備
インジェクションマシン
ダイキャストマシン
タンデムプレス
板金プレス
自動溶接ライン
マシニングセンタAPC
濾過乾燥装置
バケット台車
プライバシーポリシー
お問い合わせ
TOP
>
アプリケーション
>
医薬品・医薬部外品業界
> 高粘度流体製造プロセス
高粘度流体製造プロセス
従来の高粘度流体製造プロセスは
従来の槽間移送
製造ラインの変更時には、工事期間中はライン停止を余儀なくされます。
従来方法による原料供給と槽間移送
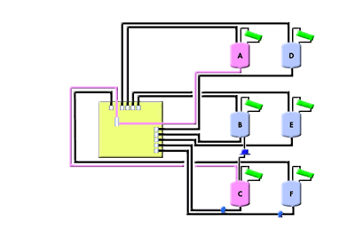
弊社の提案する医薬品合成製造プロセス
マルチタイプのオートコネクタ
製造ラインの変更に瞬時に対応できます。
マルチタイプ/ストレートタイプ
による原料供給と槽間移送
医薬中間体製造工場への実例
原料投入ストレートタイプと槽間移送マルチタイプによる送液
医薬中間体製造工場への実例 (原料供給ストレートタイプ)
医薬中間体製造工場への実例 (槽間移送マルチタイプ)
お客様のご要望に応じてコンサルティング致します。
JavaScriptがオフです。オンにしてアクセスして頂くと、フォームが表示されます。
ナブテスコサービス株式会社 産業機械部 東京営業課
TEL:03-5791-3614 FAX:03-5791-3615
|
ページトップへ
|
|
TOP
|
お問い合わせ
|
会社案内
|
Copyright(C)2023, Nabtesco Service Co., LTD. All Rights Reserved.